茄子视频污下载尺寸分类
热门新闻
 
      
      60~69mm 
       
       
     
  
      - 
            
产品详情
 - 
            
联系茄子视频成人电影
 
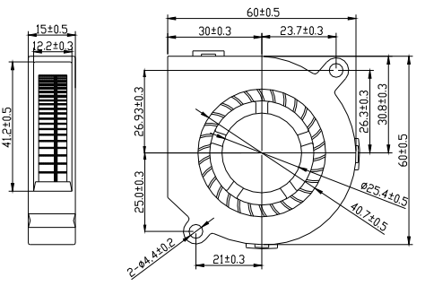
茄子视频污下载JXJ6015D1H-B基本参数  | ||
| 尺  寸: | 60×60×15 MM | |
| 额定电压: |   DC 12.0 V  (可以定制) | |
| 额定电流: | 0.11 A (可以定制) | |
| 额定转速: | 4500 RPM (可以定制) | |
| 额定功率: | 1.32 W | |
| 最大风量: | 3.78 CFM | |
| 最大风压: | 12.1 mmH2O | |
| 噪 音: | 37.8  dB-A | |
| 茄子视频污下载JXJ6015D1H-B曲线 | 茄子视频污下载JXJ6015D1H-B尺寸图 | 
![]()  | ![]()  | 
同型号其他参数
| MODEL | Rated  Voltage  | Operatig Voltage Range  | Rated Current  | Rated Input  Power  | Speed | Maximum  Air Flow  | Maximum Air Pressure  | Node | ||
| 型号 | 额定电压 | 工作电压范围 | 额定电流 | 额定输出功率 | 转速 | 最大风量  | 最大风压 | 噪音 | ||
| PART NO. | V DC | V DC | A mp | Watt | R.P.M | m³/min | CFM | mmH2O | INH2O | dB-A | 
| JXJ6015D5L-B | 5 | 3.6-7.0 | 0.15 | 0.75 | 3500 | 0.08 | 2.94 | 7.06 | 0.28 | 31.2 | 
| JXJ6015D1L-B | 12 | 7.0-13.5 | 0.06 | 0.72 | 3500 | 0.08 | 2.94 | 7.06 | 0.28 | 31.2 | 
| JXJ6015D1M-B | 12 | 7.0-13.5 | 0.08 | 0.96 | 4000 | 0.09 | 3.19 | 9.33 | 0.37 | 35.0 | 
| JXJ6015D2M-B | 24 | 18.0-26.5 | 0.04 | 0.96 | 4000 | 0.09 | 3.19 | 9.33 | 0.37 | 35.0 | 
| JXJ6015D1M-B | 12 | 7.0-13.5 | 0.11 | 1.32 | 4500 | 0.11 | 3.78 | 12.1 | 0.48 | 37.8 | 
| JXJ6015D2M-B | 24 | 18.0-26.5 | 0.06 | 1.44 | 4500 | 0.11 | 3.78 | 12.1 | 0.48 | 37.8 | 
辛苦您了,您看到这里了怎么还没有看到茄子视频污下载都没有什么功能(防潮、温控 等)选择的吗?不要着急,公司给您来个非常详细的功能介绍。请点击风扇功能
备注
如果您需要找的扇热风扇型号或者是需要特殊的型号参数,我司可以给您方案设计,让您更加放心省事。请联系茄子视频成人电影业务!如果这个型号不合适您,也可以直接点击产品中心哦!
业务电话:18207676655
  传真:0755-23033850
联系人:曾先生
  地址:深圳市龙华新区观澜街道松元上围新村51号
 
 
    
 
  



          
          
                    
                    
                    
                    
   
销售咨询-1